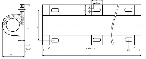
Wing-DO marine fenders is developed based on D type rubber fenders. Original D marine rubber fenders is anchored in its middle. Los guardabarros de goma del tipo Wing-D están desarrollados en base a los guardabarros de tipo D. Los efnders de goma tipo D están anclados en el medio.
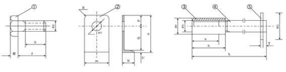
But for Wing-D(O) rubber marine fender, it is designed with steel panel built into the marine rubber fenders’ bodies, and two lines bigger anchors installed. This make anchoring capacities of Wing-D rubber fenders perform better comparing with D type marine fenders.




